DFB Laser diode
Description
Description
Applications
◆ Applied to short and medium distance optical fiber transmission systems, such as: CATV reverse optical transmission, GSM, CDMA optical transmission, monitoring system, etc.
◆ Optical Transceiver Module
◆ Optical Instrumentation
◆ Applied to short and medium distance optical fiber transmission systems, such as: CATV reverse optical transmission, GSM, CDMA optical transmission, monitoring system, etc.
◆ Optical Transceiver Module
◆ Optical Instrumentation
Features
◆ MQW quantum well structure with built-in monitor
◆ Low Threshold Current, High Slope Efficiency
◆ High linearity
◆ Coaxial package, high reliability
◆ Good plug performance
◆ MQW quantum well structure with built-in monitor
◆ Low Threshold Current, High Slope Efficiency
◆ High linearity
◆ Coaxial package, high reliability
◆ Good plug performance
Product Standards
◆ Conforms to GR-468 Reliability Test Standard
◆ RoHS Compliant
◆ Meets the general requirements of GR-326 single-mode optical connectors and jumpers
1.Absolute Maximum Ratings
◆ Conforms to GR-468 Reliability Test Standard
◆ RoHS Compliant
◆ Meets the general requirements of GR-326 single-mode optical connectors and jumpers
1.Absolute Maximum Ratings
| Item | Unit | Min | Max | Note |
| Reverse Voltage (Laser diode) | mW | 2 | VRL | |
| Forward current (Laser diode) | mA | 100 | IFL | |
| Reverse Voltage (Photodiode) | V | 20 | VRD | |
| Forward current (Photodiode) | ℃ | 2 | IFD | |
| Operating temperature | ℃ | -40 | 85 | TC |
| Storage temperature | ℃ | -40 | 100 | Tstg |
2.Transmitter Electro-Optical Characteristics (TC=25°C, CW)
| Item | Symbol | Test Condition | Min. | Typ. | Max. | Unit | |
| Threshold Current | Ith | T=25 °C T=85 °C |
10 35 |
15 55 |
mA | ||
| Operating Current | Iop | T=25 °C | 45 | 48 | mA | ||
| Operating Voltage | Vop | CW, IFL=Ith+20mA | 1.2 | 1.6 | V | ||
| Monitor Current | Imon | Iop=Ith+20mA | 120 | 1000 | uA | ||
| MonitorDark Current | ID | VPD=5V | 200 | nA | |||
| Monitor Capacitance | CPD | VPD=5V | 10 | pF | |||
| -3dB Bandwidth | FR | Po=5.0 mW | 1.25 | GHz | |||
| Side Mode Suppression Ratio | SMSR | 2.5Gbps,Imod=40mA, Ib=0.9*Ith | 30 | 40 | dB | ||
| Optical Output | Po | If=Ith+20mA | 1 | 2 | mW | ||
| Slope Efficiency | η | 0.05 | 0.1 | mW/m A | |||
| Center Wavelength | λc |
FP | Po=5.0 mW,T=25 °C λc=1270-1610 |
λc-30 | λc | λc+30 | nm |
| DFB | λc-10 | λc | λc+10 | nm | |||
| CWDM DFB | λc-3 | λc | λc+3 | nm | |||
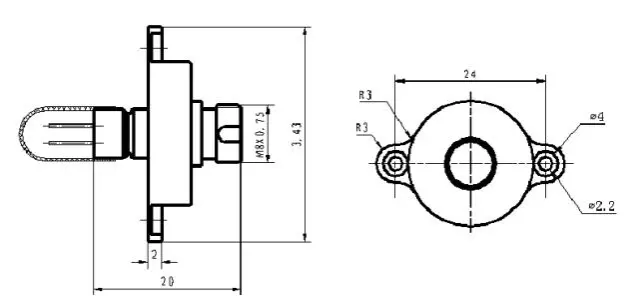
3. Pin Assignment
![]() |
![]() |
| Type F | Type S |
4. Dimension Outline







