BOSA
Description
Description
Features
◆ DFB uncooled laser diodetransmitter and 1490nm receiver.
◆ High sensitive PIN-TIA
Applications
◆ FTTx application Data Communicationtransmitter and 1490nm receiver.
◆ PON FTTH Bi-directional play
1.AbsoluteMaximum Ratings
(*1):For soldering by iron and 10 seconds on leads
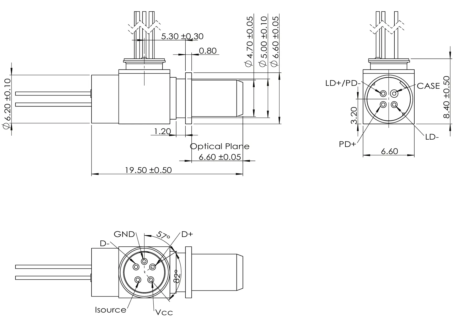
5.Dimension Outline
Note: Unit: mm, tolerance not specified ±0.05mm
◆ DFB uncooled laser diodetransmitter and 1490nm receiver.
◆ High sensitive PIN-TIA
Applications
◆ FTTx application Data Communicationtransmitter and 1490nm receiver.
◆ PON FTTH Bi-directional play
1.AbsoluteMaximum Ratings
| Item | Unit | Min | Max | Note |
| Forward Current for LD | mA | -- | 100 | |
| Reverse Voltage for LD | V | -- | 2 | |
| Operating Temp | °C | 0 | 75 | |
| Storage Temperature | °C | -40 | 85 | |
| Storage Relative Humidity | % | -- | 85 | |
| Solder Reflow Temperature | °C | -- | 260 | (*1) |
2.Transmitter Electro-Optical Characteristics (TC=25°C, CW)
(*2): Launched into 9/125mm SMF
(*3): DPf =10xlog(Pf(Tc) /Pf(25°C)), Im hold(@Pf=2.0mW, 25°C)
4.COMPONENT INFORMATION
| Item | Symbol | Test Condition | Min. | Typ. | Max. | Unit |
| Threshold Current | Ith | 25°C | -- | -- | 15 | mA |
| 75℃ | -- | -- | 45 | mA | ||
| Optical Output Power (*2) | Pf | CW, If=Ith+20mA, 25 °C | 0.7 | -- | 1.4 | mW |
| Operating Voltage | Vop | CW, If=Ith+20mA | -- | 1.2 | 1.8 | V |
| Center Wavelength | λp | CW, If=Ith+20mA | 1260 | 1270 | 1280 | nm |
| Spectrum Width (-20dB) | Dl | CW, If=Ith+20mA | -- | -- | 1.0 | nm |
| Side Mode Suppression Ratio | SMSR | CW, If=Ith+20mA | 30 | -- | -- | dB |
| Monitor Current | Im | CW, If=Ith+20mA,Vrp=5V | 100 | -- | 1200 | mA |
| PD Capacitance | Cpd | VRD=5V, f=1MHz | -- | 10 | 20 | pF |
| Monitor Dark Current | Id | Vrp=5V | -- | -- | 100 | nA |
| Tracking Error(*3) | TE | CW, Tc =0~75°C | -1.5 | -- | 1.5 | dB |
(*3): DPf =10xlog(Pf(Tc) /Pf(25°C)), Im hold(@Pf=2.0mW, 25°C)
3.Receiver Optical-Electro Characteristics (TC=25°C, Vcc=3.3V)
| Item | Symbol | Test Condition | Min. | Typ. | Max. | Unit |
| Supply Voltage | Vcc | No loads | 2.97 | 3.3 | 3.63 | V |
| Supply Current | Icc | Vcc=3.3V | -- | 39 | -- | mA |
| Operating Wavelength | l | 1300 | 1310 | 1320 | nm | |
| Sensitivity | Sen | λ=1310nm, 1.25Gbps, RL=50Ω,PRBS=2^23-1, ER=10dB,BER=10-10, |
-- | -- | -28.5 | dBm |
| Overload | OL | -7.0 | -- | -- | dBm | |
| Optical Return Loss | ORL1270 | 1270nm | -- | -- | -10 | dB |
| ORL1310 | 1310nm | -- | -- | -20 | dB | |
| Optical Crosstalk | X talk | 1270nm/1310nm | -- | -- | -40 | dB |
4.COMPONENT INFORMATION
| Component Description | P/N | Vendor | Note |
| GPON ONU BOSA | 02103050519 | JEZETEK | GDZ-PS-S2147 |
5.Dimension Outline




